Global
選擇語言
前言
江蘇省自6月起執行的分時電價新政峰谷價差降低33%,安徽省自7月起中午時段增加一個谷段,山東省曾經出現的負電價...
這些政策的出現,必然導致光伏或儲能的收益不及預期,那作為客戶投資商應該何去何從?固德威源網荷儲智系統方案,可以提供抗風險能力更強、市場化程度更高的解決方案。其中光儲協同就是源網荷儲智的微觀密碼!
01
什么是光儲協同?
光儲協同和常規的光+儲有什么區別?
—

02
光儲協同的優勢
—
總結來說主要是以下三個點:
1. 動態平衡:平滑光伏間歇性、波動性;
2. 提升消納:提高光伏自用比例、獨立微網、提高紅區接入容量;
3.優化調度:光儲系統出力可控、多場景模式切換。最終目的就是通過峰谷套利、輔助服務、減少設備容量、需量電費管理等提高項目收益,縮短項目投資回收期、增加抗風險能力。
03
光儲協同的控制策略和架構
—
鑒于間歇性可再生能源出力的波動性和隨機性,通過可控靈活資源在不同時間尺度的及時調配,源網荷儲智的協同控制,實現間歇性可再生能源并網平穩運行。其中:
源端以可再生能源的最大消納為控制目標;
荷端在確保重要負荷不間斷供電的基礎上參與電網調節,實現客戶價值的利益最大化;
儲端作為重要的雙向功率與能量平衡資源參與電網或平臺調度;
電網運行方式的靈活調整是實現更大范圍內電能分配與優化運行的重要手段。
配電網源網荷儲智協同控制架構由兩個維度組成,從設備維度出發,分為源、網、荷、儲、智五個層級,五者交互實現協同控制;從控制維度出發,則對應云邊端互動,各個環節功能有所不同,其中:
云,負責全局算法和協調控制;
邊:負責區域間交互和具體控制策略的執行;
端:負責區域內自治和將能量流變為信息流,做最終執行。
04
光儲協同控制硬件
—
目前固德威針對光儲協同控制方案,具備全套的自研設備和充分開放的第三方設備接入口。
從硬件來說,具備了:
1.光電建材+并網逆變器的分布式電源系統;
2.多種戶儲+工商儲+大儲集成的儲能系統;
3.充電樁、熱泵和用戶負載組成的荷端;
4.包含各類型檢測電表和通訊功能的物聯設備;5.具備本地控制功能和靈活對外接入功能的EMS控制設備;

05
光儲協同場景化應用
—
光儲協同不僅創造經濟價值,更在關鍵場景中提供核心功能支撐,以下分場景舉例:





06
項目案例
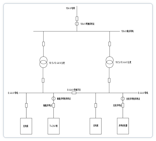
【江西某光儲充項目】
—

項目背景
項目園區是一個新能源重型卡車建造園區,本身在出廠時有大量充電需求,園區有一定光伏裝機容量,優化手續情況下做光儲充協同控制的項目,投資方實現最大化的光伏消納和降低園區電網電費分成。
并網模式
自發自用,余電不上網。
控制策略
需量控制+TOU模式+高壓防逆流
計量點
①10kV高計高供計量表
②光伏并網柜380V計量表
③儲能并網柜380V雙向計量表

系統示意圖
建設規模

控制方式

項目總結
1.云端功能:光伏全量接入及監控、儲能全量接入及監控、充電接入及監控、調度控制模式切換及調度計劃安排、光儲充系統告警監測、光儲充電量及收益分析等功能。
2.本地端功能:峰谷套利、需量控制、防逆流控制、系統備用電、自發自用模式、PV能量管理、動態擴容。
總結:實現固德威光伏+固德威儲能+第三方充電樁場景下,光儲充的協同調度控制(自發自用+防逆流+TOU經濟模式)云端功能和本地調度控制端完成,并在實際項目得到較好的驗證和應用。最終達到光伏綠電消納率提升26%的效果。
結語
—
光儲協同解構源網荷儲智的微觀密碼源網荷儲智是未來的宏觀生態
加入我們